XQ系列消防氣壓給水設備工作原理示意圖

穩壓泵工作時將水送至給水管網,多余的水進入氣壓罐后,水室擴大,氣室縮小,壓力隨之升高,當壓力升至穩壓上限P4時,水泵停轉,此時氣壓罐內被壓縮氣體的壓力將貯存的水送入管網,氣壓罐的水室縮小,氣室擴大,壓力隨之下降,當壓力降至穩壓下限P3時,穩壓泵又重新啟動.如此周而復始,穩壓設備不斷運行.當發生火情時,消火栓或噴頭開啟,穩壓泵不能滿足保壓要求,壓力繼續下降,當壓力降至消防工作壓力P2時(或其他消防信號反饋)消防主泵自動啟動.
XQ系列消防穩壓給水設備主要由氣壓罐、水泵、電控柜等組裝而成。該設備是根據公安部GA30-2002《消防氣壓給水設備的性能要求和試驗方法》的要求下設計的消防專用滅火組合裝置。設備設計合理,結構可靠、性能穩定。可在各消火栓系統,自動噴淋系統中配套使用,能滿足各種消防設計規范要求。 |
|
設備型號規格表示法: |
|
設備常用規格基本參數: |
序號 |
型號 |
設計壓力 Mpa |
總容積 m3 |
有效水容積 m3 |
進出水 口徑 mm |
設備高度 長度 mm |
罐體 直徑 mm |
氣壓罐 重量 (kg) |
1 |
XQ□-400 |
0.6-1.0-1.6 |
0.1 |
0.03 |
50 |
1400 |
400 |
120 |
2 |
XQ□-600 |
0.6-1.0-1.6 |
0.3 |
0.06 |
50 |
1600 |
600 |
200 |
3 |
XQ□-800 |
0.6-1.0-1.6 |
0.8 |
0.15 |
80 |
2300 |
800 |
400 |
4 |
XQ□-1000 |
0.6-1.0-1.6 |
1.5 |
0.2 |
100 |
2500 |
1000 |
450 |
5 |
XQ□-1200 |
0.6-1.0-1.6 |
2.3 |
0.4 |
100 |
3000 |
1200 |
600 |
6 |
XQ□-1400 |
0.6-1.0-1.6 |
3.5 |
0.6 |
100 |
3100 |
1400 |
950 |
7 |
XQ□-1600 |
0.6-1.0-1.6 |
4.8 |
1.2 |
100 |
3200 |
1600 |
1100 |
8 |
XQ□-1800 |
0.6-1.0-1.6 |
6.5 |
1.8 |
100 |
3400 |
1800 |
1500 |
9 |
XQ□-2000 |
0.6-1.0-1.6 |
8.0 |
3.0 |
100 |
3600 |
2000 |
1950 |
10 |
XQ□-2200 |
0.6-1.0-1.6 |
14.5 |
5.8 |
100 |
4000 |
2200 |
2500 | |
|
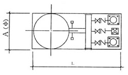
設備主要尺寸及安裝圖: |
工作原理: |
該設備采用囊式(隔膜)氣壓給水,當穩壓水泵處于低壓工作壓力P3時,由壓力繼電器傳感信號通過電控箱自動啟動水泵向罐內補水,且同時增壓,當壓力達到高工作壓力P4時,穩壓水泵自動停止,此時的系統壓力在低工作壓力P3和高工作壓力P4之間變化。
在消防供水狀態下,當壓力降到主消防泵啟動壓力P2時,主消防泵自動啟動向系統內供水。在主消防失靈而不能供水時,系統壓力繼續降到設計所允許的低供水壓力時,主消防泵自動啟動向系統內供水P1時,備用水泵自動啟動,確保消防正常供水。 | |
|
|
|
感謝您訪問我們揚子江泵業的網站www.xinbochuangdz.com,如有任何水泵疑問我們一定會盡心盡力為您提供優質的服務。