
FSB型防爆氟塑料合金泵
流量:3.6~100m3/h;
揚程:15~55m;
轉速:2900r/min;
功率:1.5~18.5KW;
進口直徑:25~100mm;
適用溫度:-20℃~120℃。
目錄
產品概述:
FSB(D)系列氟塑料合金離心泵,可在-80—150度溫度的條件下,長期輸送任意濃度的各種酸、堿、鹽、強氧化劑等多種腐蝕性介質,其殼體及過流部分全部用F46氟合金制成,它集多種氟塑料之優點,具有特強的耐腐蝕性,并具有機械強度高,不老化,無毒素分解優點。該產品機械強度高,設計合理,結構緊湊,性能可靠,使用維修方便,流道光滑效率高,節約能源,榮獲"國家科學技術獎"。
產品用途
本產品系列共計20多個規格,流量、揚程范圍廣。適用于石油、化工、制藥、農藥、酸洗、染料、油漆、冶煉、造紙、電鍍、食品等行業輸送液體,杜絕跑、冒、滴、漏,是建設現代文明工廠的理想設備。
泵的軸封
該泵采用目前為先進的外裝式四氟波紋管機械密封,擁有多層保護,延長了機封使用壽命,對于輸送含雜質顆粒介質時,可配用無冷卻水單端面硬對硬(碳化硅對碳化硅)機械密封,所以用戶選型時需考慮到介質中的固體含量。
設計特點
FSB和FSB-D型氟塑料合金離心泵,過流部件全部采用氟塑料合金制造,結構緊湊.操作簡單、價格低廉。兩種型號的泵殼、葉輪、機封等均可互換使用, 因此深受廣大用戶的歡迎。
結構與材料
型號及意義
性能與參數表
型號 | 流量 | 揚 程(m) | 口 徑 (mm) | 功 率 (Kw) |
轉 速 (r/min) |
汽蝕余量 (m) |
效 率 (%) |
||
進口 | 出口 | 軸功率 | 電機功率 | ||||||
FSB長支架
|
|||||||||
25FSB-10 | 3.6 | 10 | 25 | 25 | 0.69 | 1.5 | 2900 | 3.0 | 35 |
25FSB-20 | 3.6 | 20 | 25 | 25 | 0.97 | 1.5 | 2900 | 3.0 | 35 |
25FSB-25 | 3.6 | 25 | 25 | 25 | 1.25 | 1.5 | 2900 | 3.0 | 35 |
40FSB-15 | 5 | 15 | 40 | 32 | 0.51 | 3.0 | 2900 | 3.0 | 40 |
40FSB-20 | 10 | 20 | 40 | 32 | 1.16 | 3.0 | 2900 | 3.0 | 42 |
40FSB-30 | 10 | 30 | 40 | 32 | 1.18 | 3.0 | 2900 | 3.0 | 52 |
40FSB-40 | 6.3 | 40 | 40 | 25 | 3.1 | 4.0 | 2900 | 3.0 | 40 |
40FSB-50 | 6.3 | 50 | 40 | 25 | 3.55 | 4.0 | 2900 | 3.0 | 52 |
40FSB-80 | 6.3 | 80 | 40 | 25 | 7.11 | 7.5 | 2900 | 3.0 | 52 |
50FSB-20 | 12.5 | 20 | 50 | 32 | 1.49 | 3.0 | 2900 | 3.5 | 55 |
50FSB-25 | 12.5 | 25 | 50 | 32 | 1.86 | 3.0 | 2900 | 3.5 | 55 |
50FSB-30 | 15 | 30 | 50 | 32 | 1.90 | 3.0 | 2900 | 3.5 | 54 |
50FSB-40 | 12.5 | 40 | 50 | 32 | 4.3 | 7.5 | 2900 | 3.0 | 39 |
50FSB-50 | 12.5 | 50 | 50 | 32 | 5.8 | 7.5 | 2900 | 3.0 | 39 |
65FSB-32 | 25 | 32 | 65 | 50 | 4.8 | 5.5 | 2900 | 2.0 | 45 |
65FSB-40 | 25 | 40 | 65 | 40 | 7.2 | 11 | 2900 | 3.0 | 52 |
65FSB-50 | 25 | 50 | 65 | 40 | 8.6 | 11 | 2900 | 3.5 | 52 |
65FSB-80 | 25 | 80 | 65 | 40 | 14.1 | 18.5 | 2900 | 4.5 | 50 |
80FSB-20 | 50 | 20 | 80 | 65 | 4.7 | 5.5 | 2900 | 3.0 | 45 |
80FSB-25 | 50 | 25 | 80 | 65 | 5.7 | 7.5 | 2900 | 3.0 | 50 |
80FSB-30 | 50 | 30 | 80 | 65 | 6.9 | 7.5 | 2900 | 3.5 | 59 |
80FSB-40 | 50 | 40 | 80 | 50 | 10.2 | 11.0 | 2900 | 3.5 | 48 |
80FSB-50 | 50 | 50 | 80 | 50 | 11.9 | 15.0 | 2900 | 3.5 | 57 |
80FSB-55 | 50 | 55 | 80 | 50 | 13.5 | 18.5 | 2900 | 4.0 | 50 |
80FSB-80 | 50 | 80 | 80 | 50 | 24.6 | 30 | 2900 | 4.0 | 66 |
100FSB-20 | 100 | 20 | 100 | 80 | 8.6 | 11.0 | 2900 | 3.5 | 68 |
100FSB-32 | 100 | 32 | 100 | 80 | 11.9 | 15.0 | 2900 | 3.5 | 68 |
100FSB-40 | 100 | 40 | 100 | 65 | 21.3 | 30.0 | 2900 | 4.5 | 73 |
100FSB-50 | 100 | 50 | 100 | 65 | 23.9 | 30.0 | 2900 | 4.5 | 73 |
125FSB-32 | 160 | 32 | 125 | 80 | 24.15 | 30.0 | 2900 | 5.0 | 70 |
125FSB-50 | 200 | 50 | 125 | 100 | 39.2 | 55.0 | 2900 | 5.0 | 65 |
150FSB-32 | 150 | 32 | 200 | 125 | 35.3 | 45.0 | 1450 | 5.0 | 60 |
FSB(短支加架)
|
|||||||||
40FSB-15(D) | 5 | 15 | 40 | 32 | 0.51 | 3.0 | 2900 | 3.0 | 40 |
40FSB-20(D) | 10 | 20 | 40 | 32 | 1.16 | 3.0 | 2900 | 3.0 | 42 |
40FSB-30(D) | 10 | 30 | 40 | 32 | 1.18 | 3.0 | 2900 | 3.0 | 52 |
50FSB-20(D) | 12.5 | 20 | 50 | 32 | 1.49 | 3.0 | 2900 | 3.5 | 55 |
50FSB-25(D) | 12.5 | 25 | 50 | 32 | 1.86 | 3.0 | 2900 | 3.5 | 55 |
50FSB-30(D) | 15 | 30 | 50 | 32 | 1.90 | 3.0 | 2900 | 3.5 | 54 |
65FSB-32(D) | 25 | 32 | 65 | 50 | 3.61 | 5.5 | 2900 | 3.5 | 65 |
80FSB-25(D) | 42 | 25 | 80 | 65 | 3.8 | 7.5 | 2900 | 3.5 | 67 |
80FSB-30(D) | 50 | 30 | 80 | 65 | 6.82 | 7.5 | 2900 | 3.5 |
68 |
注: 如所需參數不在此表范圍,我廠可根據用戶要求予以調整,表中部分大型泵殼體為襯氟型 |
技術參數
流量:3.6~100m3/h;
揚程:15~55m;
轉速:2900r/min;
功率:1.5~18.5KW;
進口直徑:25~100mm;
適用溫度:-20℃~120℃。
機械密封
FSB和FSB-D氟塑料合金離心泵采用目前為先進的外裝式四氟波紋管機械密封,其特點是能補償泵軸的徑向跳動,單端面密封外裝式、易裝卸、工作狀態直觀、耐腐耐磨密封性能好、擁有多層保護,延長了機封使用壽命;對于輸送含雜質顆粒腐蝕性介質時,可配用無冷卻水單端面硬對硬(碳化硅對碳化硅)機械密封,強堿與氫氟酸等特殊腐蝕性介質配用無壓燒結碳化硅密封;用戶選型時需考慮到介質中的固體含量及介質特殊腐蝕性.
結構圖
![]() |
序號 | 名稱 | 序號 | 名稱 |
1 | 泵體 | 8 | 油蓋 | |
2 | 葉輪 | 9 | 油鏡 | |
3 | 后蓋 | 10 | 軸承 | |
4 | 壓蓋 | 11 | 軸承壓蓋 | |
5 | 密封件 | 12 | 聯軸器 | |
6 | 支架 | 13 | 吊緊螺栓 | |
7 | 泵軸 |
|
|
性能曲線圖
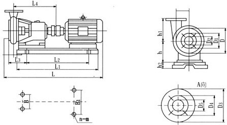
安裝尺寸圖
規格型號 | L | L1 | L2 | L3 | L4 | D | D1 | D2 | D3 | D4 | D5 | B | B1 | d | h | h1 | h2 | n-m |
25FSB-10 | 940 | 730 | 455 | 130 | 380 | 100 | 75 | 25 | 110 | 90 | 20 | 250 | 310 | 65 | 112 | 130 | 78 | 4-ф18 |
25FSB-18 | 940 | 730 | 455 | 130 | 380 | 100 | 75 | 25 | 110 | 90 | 20 | 250 | 310 | 65 | 112 | 130 | 78 | 4-ф18 |
40FSB-15 | 940 | 730 | 455 | 130 | 400 | 130 | 100 | 40 | 130 | 100 | 32 | 250 | 310 | 80 | 112 | 130 | 78 | 4-ф18 |
40FSB-20 | 940 | 730 | 455 | 130 | 400 | 130 | 100 | 40 | 130 | 100 | 32 | 250 | 310 | 80 | 112 | 130 | 78 | 4-ф18 |
40FSB-30 | 940 | 730 | 455 | 130 | 400 | 130 | 100 | 40 | 130 | 100 | 32 | 250 | 310 | 80 | 112 | 130 | 78 | 4-ф18 |
40FSB-40 | 940 | 730 | 455 | 130 | 400 | 130 | 100 | 40 | 130 | 100 | 32 | 250 | 310 | 80 | 112 | 130 | 78 | 4-ф18 |
50FSB-20 | 940 | 730 | 455 | 130 | 400 | 130 | 100 | 50 | 130 | 100 | 32 | 250 | 310 | 80 | 112 | 130 | 78 | 4-ф18 |
50FSB-25 | 940 | 730 | 455 | 130 | 400 | 130 | 100 | 50 | 130 | 100 | 40 | 250 | 310 | 80 | 112 | 130 | 78 | 4-ф18 |
50FSB-30 | 940 | 730 | 455 | 130 | 400 | 130 | 100 | 50 | 130 | 100 | 40 | 250 | 310 | 80 | 112 | 130 | 78 | 4-ф18 |
50FSB-40 | 1045 | 830 | 560 | 130 | 400 | 130 | 100 | 50 | 130 | 100 | 40 | 250 | 375 | 80 | 112 | 130 | 78 | 4-ф18 |
50FSB-50 | 1045 | 830 | 560 | 130 | 400 | 130 | 100 | 50 | 130 | 100 | 40 | 250 | 375 | 80 | 112 | 130 | 78 | 4-ф18 |
65FSB-32 | 1045 | 830 | 560 | 240 | 410 | 185 | 135 | 65 | 160 | 135 | 50 | 250 | 375 | 95 | 132 | 150 | 65 | 4-ф18 |
65FSB-40 | 1045 | 830 | 560 | 240 | 410 | 185 | 135 | 65 | 160 | 135 | 50 | 250 | 375 | 100 | 132 | 185 | 65 | 4-ф18 |
65FSB-50 | 1045 | 830 | 560 | 240 | 410 | 185 | 150 | 65 | 160 | 135 | 50 | 250 | 375 | 100 | 132 | 185 | 65 | 4-ф18 |
80FSB-20 | 1045 | 830 | 560 | 240 | 410 | 185 | 150 | 80 | 160 | 135 | 65 | 250 | 375 | 95 | 132 | 150 | 65 | 4-ф18 |
80FSB-30 | 1045 | 830 | 560 | 240 | 410 | 185 | 150 | 80 | 160 | 135 | 65 | 250 | 375 | 95 | 132 | 150 | 65 | 4-ф18 |
80FSB-34 | 1045 | 830 | 560 | 240 | 410 | 185 | 150 | 80 | 160 | 135 | 65 | 250 | 375 | 95 | 132 | 150 | 65 | 4-ф18 |
80FSB-40 | 1045 | 830 | 560 | 240 | 410 | 185 | 150 | 80 | 160 | 135 | 65 | 250 | 375 | 100 | 132 | 185 | 65 | 4-ф18 |
80FSB-50 | 1045 | 830 | 560 | 240 | 410 | 185 | 150 | 80 | 160 | 135 | 50 | 250 | 375 | 100 | 132 | 185 | 65 | 4-ф18 |
80FSB-55 | 1310 | 970 | 610 | 245 | 500 | 185 | 150 | 80 | 160 | 135 | 65 | 330 | 430 | 110 | 160 | 205 | 100 | 4-ф18 |
80FSB-80 | 1310 | 970 | 640 | 245 | 500 | 185 | 150 | 80 | 160 | 135 | 65 | 330 | 430 | 135 | 160 | 205 | 100 | 4-ф18 |
100FSB-32 | 1330 | 970 | 640 | 245 | 500 | 185 | 150 | 100 | 160 | 135 | 65 | 330 | 430 | 110 | 160 | 205 | 120 | 4-ф18 |
100FSB-50 | 1360 | 970 | 640 | 245 | 500 | 185 | 150 | 100 | 160 | 135 | 65 | 300 | 430 | 110 | 160 | 205 | 160 | 4-ф18 |
拆卸與安裝
規格型號 | L | L1 | L2 | L3 | D | D1 | D2 | D3 | D4 | D5 | B | B1 | d | d1 | h | h1 | 地腳螺栓 |
25FSB-10D | 470 | 220 | 185 | 125 | 100 | 75 | 25 | 110 | 90 | 20 | 180 | 140 | 65 | 155 | 210 | 90 | 4-ф10 |
25FSB-18D | 470 | 220 | 185 | 125 | 100 | 75 | 25 | 110 | 90 | 20 | 180 | 140 | 65 | 155 | 210 | 90 | 4-ф10 |
40FSB-15D | 540 | 245 | 200 | 125 | 130 | 100 | 40 | 130 | 100 | 32 | 205 | 160 | 80 | 180 | 240 | 100 | 4-ф12 |
40FSB-20D | 540 | 245 | 200 | 140 | 130 | 100 | 40 | 130 | 100 | 32 | 205 | 160 | 80 | 180 | 240 | 100 | 4-ф12 |
40FSB-30D | 540 | 245 | 200 | 140 | 130 | 100 | 40 | 130 | 100 | 32 | 205 | 160 | 80 | 180 | 240 | 100 | 4-ф12 |
50FSB-20D | 540 | 245 | 200 | 140 | 130 | 100 | 50 | 130 | 100 | 40 | 205 | 160 | 80 | 180 | 240 | 100 | 4-ф12 |
50FSB-25D | 540 | 245 | 200 | 140 | 130 | 100 | 50 | 130 | 100 | 40 | 205 | 160 | 80 | 180 | 240 | 100 | 4-ф12 |
50FSB-30D | 540 | 245 | 200 | 140 | 130 | 100 | 50 | 130 | 100 | 40 | 240 | 190 | 80 | 180 | 240 | 100 | 4-ф12 |
65FSB-32D | 720 | 345 | 276 | 140 | 185 | 150 | 65 | 185 | 135 | 50 | 280 | 216 | 95 | 210 | 282 | 100 | 4-ф12 |
80FSB-20D | 720 | 345 | 276 | 140 | 185 | 150 | 80 | 185 | 135 | 65 | 280 | 216 | 95 | 210 | 282 | 132 | 4-ф12 |
80FSB-30D | 720 | 345 | 276 | 140 | 185 | 150 | 80 | 185 | 135 | 65 | 280 | 216 | 95 | 210 | 282 | 132 | 4-ф12 |
泵的拆卸
1.泵與電機聯接用爪型聯軸器連接,拆卸時先松掉支架與底座的4只連接螺栓.使泵與電機脫開。
2.松開泵體后蓋的連接螺栓.用木柄輕擊泵體脫開。
3.松開葉輪軸與泵軸莫氏錐度連接在連軸器中的吊緊螺栓。
4.松開機械密封動!不固定螺釘,用木錘輕擊連軸器中心吊緊螺栓,葉輪軸與泵軸莫氏錐度松開后拉出葉輪、后蓋、密封件動環.松開后蓋上壓蓋螺釘.取出靜壞。
5.松開泵軸左右壓蓋螺釘.取出泵軸、軸承、清洗支架油室。
裝配
按拆卸的相反順序將密封件動環、靜環、后蓋、壓蓋、葉輪、泵體等裝上緊定螺栓。
安裝及注意事項
1.在安裝前應對泵和電機進行檢査,各部分應完好無損,泵內無雜物。
2.將本泵放置水平位置上接上進、出管和接通電源.后用手盤動聯軸器.檢査有無碰擦現象.轉動輕松均勻則安裝結束。
3.塑料合金離心泵鋼度較金屬差,故管路重量不能直接壓在泵體上,迸、出口管路應另加支架承受.揚程高的泵在出口還應安裝逆止閥.以防突然停機的水錘破壞。
4.所有接合處必須保持密封.以防漏氣、液影響泵的工作性能。
5.運轉過程中如發現撅動或不正常聲音時.應立即停車檢査原因.故降排除后才能工作。
起動與停車
1.往水泵內注足液體(引液)。
2.檜査支架油室的油位是否在規定范圍內。
3.檢査電動機運轉方向.調看泵的旋轉標記。
4.關閉出口閥門及壓力表旋塞。
5.啟動電機.打開壓力表旋塞.慢慢打開出口閥門,當壓
6.重要停車時,首先關閉出水閥,再切斷電源。
力表指針指到需要的位置時.停止出水閥門大小的調整。
故障原因與排除方法
故 障 |
原 因 |
解決方法 |
打不出液體 |
1、吸入管內有空氣.迸口阻塞 2、吸上高度太高 3、要求揚程大于泵揚程 4、排出管過細.管路損失過大 5、反轉 |
1 、清理管路,排凈空氣 2 、降低泵安裝高度 3、更換揚程大的泵 4 、換口徑與泵口等大的輸出管 5、改變方向 |
流量不足 |
1 、葉輪損壞 2 、 密封件損壞 3、數不足 4、進口管過細 5、出口管彎頭過多,阻力過大 |
1 、更換新葉輪 2 、換密封件 3、增加轉數 4 、按規定重裝管道 5 、重新合理安排管路 |
揚程不足 |
1、輸送介質中含有氣體或介質粘度過大 2、葉輪和葉片損壞 3、轉數不足 |
1、降低介質粘度或增加注灌壓力 2、更換葉輪 3 、增加轉數 |
軸端滲漏 |
1、機械密封卡環過松 2、軸端卡環過渡尺寸間隙太大 |
1、旋緊卡壞兩只內六角螺釕 2、將泵拆卸,軸、卡擋繞F4生料帶薄膜數圈.緊配合.螺栓旋緊 |
密封泄漏嚴重 |
1、密封元件材料選用不當 2、磨瘵付嚴重磨損 3、動靜環吻不勻 4 、磨擦付過大靜環碎裂 |
1、向供泵串位述明介質情況,配適當動靜環 2、更換磨損另件.并調整彈簧壓力,減少磨損 3、密封組合體松卡環鏍栓重新調正位置 4、整泵拆卸.換靜環按要求裝密封組合件與軸垂直度誤差<0.10 |
泵內有雜音或泵振動 |
1、泵軸與電機軸不同心 2 、流量超過使用范圍產生氣蝕 3、泵產生氣蝕 4 、電動機與軸承磨損 |
1 、校正泵軸中心 2、選用適當的泵型.按泵使用范圍運轉 3、降低介質的溫度或增加灌注壓力 4、清洗或更換軸承 |