
SK系列水環式真空泵
目錄
SK型水環式真空泵用途及使用范圍
SK型水環式真空泵及壓縮機是用來抽吸或壓送氣體和其它無腐蝕性、不溶于水、不含有固體顆粒的氣體,以便在密閉容器中形成真空或壓力,滿足工藝流程要求。吸入或壓送的氣體中允許混有少量的液體。
SK型水環式真空泵及壓縮機廣泛應用于機械、石油、化工、制藥、陶瓷、制糖、印染、冶金及電子等行業。由于在工作過程中,該類泵對氣體的壓縮是在等溫狀態下進行的,因此在壓送或抽吸易燃、易爆氣體時,不易發生危險,所以在其應用更加廣泛。
SK型水環式真空泵的工作原理
SK型水環式真空泵如圖(1)所示,葉輪3偏心地安裝在泵體2內,因此當葉輪3旋轉時,水受離心力的作用而在泵體內壁形成一旋轉水環5,水環上部內表面與輪轂相切沿箭頭方向旋轉,在前半轉過程中,水環SK型水環式真空泵內表面逐漸與輪轂脫離,因此在葉輪葉片間與水環形成封閉空間,隨著葉輪的旋轉,該空間逐漸擴大,空間氣體壓力降低,氣體被及入空間;在后半轉過程中,SK型水環式真空泵內表面漸漸與輪轂靠近,葉片間的空間逐漸縮小,空間氣體壓力升高,高于排氣口時,葉片間的氣體被排出。如此葉輪每轉動一周,葉片間的空間吸排一次,許多空間不停地工作,泵就連續不斷地抽吸或壓送氣體。
SK型水環式真空泵由于在工作過程中,做功產生熱量,會使工作水環發熱,同時一部分水和氣體一起被排走,因此,在工作過程中,必須不斷地給泵供水,以冷卻和補充泵內消耗的水,滿足泵的工作要求。
當SK型水環式真空泵排出的氣體不再利用時,在泵排氣一端接有氣水分離器(可自己制作一水箱代替),廢水和所帶的部分水排入氣水分離器后,氣水分離,氣體由排氣管排出,留下的水經回水管供至泵內繼續使用。隨著工作時間的延長,工作水溫度會不斷地升高,這時需從氣水分離器供水處供給一定的冷水(自來水),以降低工作水的溫度,保證SK型水環式真空泵能達到所要求的技術要求和指標。
1.端蓋 2. 泵體 3.葉輪 4.排氣孔 5.水環 6.吸氣孔 a.橡膠球孔 b.泵體 c.排氣管 d吸氣管 e吸氣孔 f 進水
當SK型水環式真空泵作為壓縮機使用時,泵排氣口接有氣水分離器,氣水混合物進入氣水分離器后自動分離,氣體由排氣管輸送到所需系統而工作水經過自動溢于開關放出,壓縮氣體時,工作水極易發熱,水由SK型水環式真空泵出口排出,溫度會變得較高,因此在氣水分離器的底部,要不斷地供給冷水,以補充被放走的熱水,同時起冷卻作用,使工作水溫度不致過高,從而保證壓縮機性能,達到技術指標,滿足工藝要求。
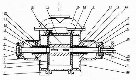
1.端蓋 2.排氣園盤 3.后軸承架 4.軸承 5.后軸承城市蓋 6.軸 7.園螺母 8. 后軸套
9. 填料壓蓋 10.填料壓圈 11.填料 12.平鍵 13. 葉輪 14.泵體 15.吸氣園盤 16.前軸套 17.前軸承架18.前軸承壓蓋 19.平鍵 20.聯軸器 21.進水管
圖3 SK-1.5/3水環真空泵結構圖
1.端蓋 2.后吸排氣園盤 3.葉輪 4.軸承架 5.園螺母 6.后軸承壓蓋 7.軸 8.軸承 9. 后軸套10.填料壓圈 11.填料 12.填料壓圈 13.平鍵 14.泵體 15.連通管 16.前吸排氣園盤 17.前軸套 18.聯軸器具 19.平鍵 20.園螺母 21.前軸承壓蓋
不銹鋼304材質SK型水環真空泵
SK型水環式真空泵的結構說明
SK型水環式真空泵由泵體、兩個端蓋、葉輪、軸等部件組成。進氣管和排氣管通過安裝在端蓋上的園盤上的吸氣孔和排氣孔與泵腔相連,軸偏心地安裝在泵體中,葉輪用平鍵固定在軸上。SK型水環式真空泵兩端面的總間隙由泵體和園盤之間的墊來調整,葉輪與端蓋上的園盤之間的間隙由軸套(SK-1.5/3/6)或背帽(SK-12/20/30)推動葉輪來調整,而SK-42以上軸與葉輪為過盈配合,此間隙由前端定位時確定,SK-42/60/85/120無軸套,其余結構與SK-6/12/20/30相同。葉輪兩端面與端蓋園盤的間隙決定氣體在泵腔內由進氣口至排氣口流動中損失的大小及極限壓力。
SK型水環式真空泵填料安裝在兩端蓋內,密封不經由端蓋中的小孔進入填料中,冷卻填料及加強密封效果。葉輪形成水環所需的補充水由供水管供給,供水管可與氣水分離器連在一起循環供水。
SK型水環式真空泵密封形式采用機械密封,機械密封安裝在填料空腔里,填料省略。填料壓蓋換成機械密封壓蓋,其余結構相同。軸承由園螺母固定在軸上。
SK型水環式真空泵在端蓋上安裝有園盤,園盤上設有吸、排氣孔和橡膠球閥。橡膠球閥的作用是當葉輪葉片間的氣體壓力達到排氣壓力時,在排氣口以前就將氣體排出,減少了因氣體壓力過大而消耗的功率,從而降低功率消耗。
SK型水環式真空泵的主要技術參數
型 號
|
吸氣量(米3/分)
|
極限真空
|
功率(千瓦)
|
轉速
(轉/分)
(r.p.m)
|
壓縮機
壓力
(兆帕)
Mpa
|
口 徑
|
水耗量
(升/分)
i/min)
|
|||||
大
|
真空度為-450mmHg
|
mmHg
|
MPa
|
真空泵
|
壓縮機
|
|||||||
進
|
出
|
|||||||||||
SK-1.5
|
1.5
|
1.35
|
-680
|
-0.091
|
3
|
4
|
1450
|
0-1
|
70
|
70
|
10~15
|
|
SK-3
|
3
|
2.8
|
-710
|
-0.093
|
5.5
|
7.5
|
1450
|
0-1
|
70
|
70
|
15~20
|
|
SK-6
|
6
|
5.4
|
-710
|
-0.093
|
11
|
15
|
1450
|
0-1
|
80
|
80
|
20~30
|
|
SK-9
|
9
|
8.1
|
-710
|
-0.093
|
15
|
22
|
970
|
0-1
|
80
|
80
|
30~40
|
|
SK-12
|
12
|
11
|
-710
|
-0.093
|
18.5
|
30
|
970
|
0-1
|
80
|
80
|
40~50
|
|
SK-15
|
15
|
13.5
|
-710
|
-0.093
|
30
|
45
|
970
|
0-1
|
80
|
80
|
50~60
|
|
SK-20
|
20
|
18
|
-710
|
-0.093
|
37
|
55
|
740
|
0-1
|
150
|
150
|
60~80
|
|
SK-30
|
30
|
28
|
-710
|
-0.093
|
55
|
75
|
740
|
0-1
|
150
|
150
|
70~100
|
|
SK-42
|
42
|
37.2
|
-710
|
-0.093
|
75
|
-
|
740
|
-
|
150
|
150
|
95~130
|
|
SK-60
|
60
|
54
|
-710
|
-0.093
|
95
|
-
|
590
|
-
|
250
|
250
|
140~180
|
|
SK-85
|
85
|
76.5
|
-710
|
-0.093
|
132
|
-
|
590
|
-
|
250
|
250
|
180~220
|
|
SK-120
|
120
|
110
|
-710
|
-0.093
|
185
|
-
|
590
|
-
|
300
|
300
|
220~260
|
注:SK水環式真空泵表中列數據在下列條件下得出:
1、 大氣壓力0.1013Mpa(760mmHg)
2、 進水溫度15℃
3、 吸入空氣溫度20℃
4、 空氣相對濕度70%
5、 性能允許偏差±10%
SK型水環式真空泵的型號意義
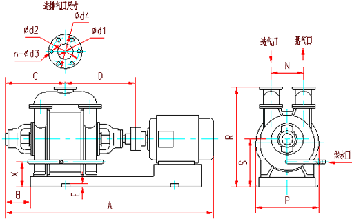
SK型水環式真空泵外型及連接圖
![]() |
![]() |
代號 | A | C | D | F | G | H | J | K | N | P |
SK-6 | 1432 | 370 | 457 | 190 | 800 | 1165 | 420 | 380 | 210 | 330 |
SK-12 | 1761 | 448 | 538 | 270 | 940 | 1420 | 530 | 480 | 280 | 440 |
SK-20 | 2100 | 491 | 609 | 310 | 1132 | 1710 | 650 | 600 | 350 | 680 |
SK-30 | 2500 | 556 | 674 | 350 | 1270 | 1910 | 650 | 600 | 350 | 680 |
SK-42 | 2720 | 630 | 750 | 400 | 1445 | 2120 | 650 | 600 | 350 | 680 |
型號 | R | S | X | Z | d1 | d2 | d3 | d4 | d5 | n |
SK-6 | 610 | 315 | 183 | G1/2" | 80 | 130 | 14 | 160 | 18 | 4 |
SK-12 | 780 | 395 | 203 | G1/2" | 80 | 150 | 14 | 180 | 18 | 4 |
SK-20 | 1050 | 525 | 260 | G3/4" | 150 | 200 | 18 | 235 | 27 | 6 |
SK-30 | 1050 | 525 | 260 | G3/4" | 150 | 200 | 18 | 235 | 27 | 6 |
SK-42 | 1050 | 525 | 260 | G3/4" | 150 | 200 | 18 | 235 | 27 | 6 |
SK型水環式真空泵汽水分離器尺寸
型號 | A | B | C | D | E | F | G | H | I | J | K | Z1 | Z2 | n | d1 | d, 2 | d3 | d4 |
SK-6 | 740 | 320 | 250 | 500 | 60 | 80 | 220 | 870 | 1030 | 140 | 500 | 11/2" | G1/2" | 4 | 160 | 130 | 65 | 14 |
SK-12 | 910 | 400 | 250 | 650 | 60 | 80 | 260 | 1080 | 1230 | 140 | 500 | 11/2" | G1/2" | 4 | 185 | 150 | 80 | 18 |
SK-20/30 | 1070 | 610 | 250 | 650 | 60 | 80 | 260 | 1130 | 1408 | 140 | 500 | 11/2" | G3/4" | 8 | 235 | 200 | 125 | 18 |
SK系列水環式真空泵及壓縮機是用來抽吸或壓縮空氣和其它無腐蝕性,不溶于水,不含有固體顆粒的氣體,以便在密閉容器中形成真空和壓力,吸入氣體允許混有少量液體。SK水環式真空泵及壓縮機被廣泛應用于機械、石油化工、制藥、食品、制糖工業及電子領域。由于在工作過程中,氣體的壓縮過程是等溫的,所以在壓縮和抽吸易爆氣體時,不易發生危險,所以其應用更加廣泛。
技術參數
型號
|
抽氣量
(m3/min) |
極限壓力
(mmHg) |
電機功率
(kW) |
泵轉速 (r.p.m) |
吸排氣口徑 (mm) |
泵重 (整機)(Kg) |
推薦替代產品 |
|
大氣量
|
吸入壓力-0.041MPa
|
|||||||
SK-0.15
|
0.15
|
0.12
|
-670
|
0.75
|
2850
|
G1"
|
30
|
2BV2060
|
SK-0.4
|
0.4
|
0.36
|
-670
|
1.5
|
2850
|
G1"
|
50
|
2BV2060
|
SK-0.8
|
0.8
|
0.75
|
-670
|
2.2
|
2850
|
G1"
|
80
|
2BV2061
|
SK-1.5
|
1.5
|
1.35
|
-700
|
4
|
1440
|
70
|
200
|
2BV5110
|
SK-3
|
3
|
2.8
|
-700
|
5.5
|
1440
|
70
|
320
|
2BV5111
|
SK-6
|
6
|
5.4
|
-700
|
11
|
1440
|
80
|
460
|
2BV5131
|
SK-12
|
12
|
10.8
|
-700
|
18.5
|
970
|
80
|
750
|
2BE1 202-970
|
SK-20
|
20
|
18
|
-700
|
37
|
730
|
150
|
1700
|
2BE1 203-970
|
SK-30
|
30
|
27
|
-700
|
55
|
730
|
150
|
2300
|
2BE1 252-740
|
SK-42
|
42
|
37.8
|
-700
|
75
|
730
|
150
|
2500
|
2BE1 253-740
|
SK-60
|
60
|
54
|
-700
|
95
|
550
|
250
|
3500
|
2BE1 303-740
|
SK-85
|
85
|
76.5
|
-700
|
132
|
550
|
250
|
3800
|
2BE1 353-592
|
SK-120
|
120
|
108
|
-700
|
185
|
490
|
300
|
5520
|
2BE3 420-390
|
注:
1、真空度從40%到90%或壓力從0.05MPa到0.15MPa的吸排氣量隨著供水量的大小 ,葉輪與側蓋的間隙大小而變化,葉輪與側蓋的間隙大小而變化,特別是流量較小時,如果調整不準確更容易引起偏小
2、表內數值是在下列條件下得出:①水溫15℃; ②空氣20℃; ③氣體相對溫度70%;④大氣壓力0.1013MPa
3、表內性能偏差不超過5%
訂貨須知:
一、①SK水環式真空泵產品名稱與型號②SK水環式真空泵口徑③SK水環式真空泵揚程(m)④SK水環式真空泵流量⑤SK水環式真空泵電機功率(KW)⑥SK水環式真空泵轉速(r/min)⑦SK水環式真空泵壓〔V〕⑧SK水環式真空泵吸程(m)⑨SK水環式真空泵是否帶附件以便我們的為您正確選型。
二、若已經由設計單位選定我公司的SK水環式真空泵產品型號,請按SK水環式真空泵型號直接向揚子江泵業公司銷售部訂購。
三、當使用的場合非常重要或環境比較復雜時,請您盡量提供設計圖紙和詳細參數,由我們揚子江泵業的技術專家為您審核把關。
感謝您訪問我們揚子江泵業的網站【www.xinbochuangdz.com】,如有任何疑問.您可以致電給我們,我們一定會盡心盡力為您提供優質的服務。