2BE水環式真空泵特點及用途
時間:2011/7/3 來源:浙江揚子江泵業有限公司
一、2BE水環式真空泵特點及用途:
2BE水環式真空泵及壓縮機,是我廠在多年科研成果和生產經驗的基礎上,結合進口產品先進技術,研制開發的高效節能產品。通常用于抽吸不含固體顆粒,不溶于水,無腐蝕性的氣體,以便在密閉容器中形成真空和壓力。通過改變結構材料,亦可用于抽吸腐蝕氣體或以腐蝕性液體做工作液。廣泛用于造紙、化工、石化、輕工、制藥、食品、冶金、建材、石器、洗煤、選礦、化肥等行業。
2BE水環式真空泵采用單級單作用的結構形式,具有結構簡單,維修方便,運行可靠,高效節能的優點。相對于目前國內廣泛使用的SK、2SK、SZ系列水環式真空泵具有真空度高、功耗低等顯著優點,是SK、2SK、SZ系列水環式真空泵理想替代產品
我公司生產的2BE型水環式真空泵及壓縮機結構主要特點如下:
2BE型水環式真空泵的軸承全部采用NSK或NTN原裝進口軸承,保證了2BE1真空泵的葉輪精確定位及運轉過程中的高穩定性。
2BE型水環式真空泵的葉輪材質全部采用球墨鑄鐵鑄造或鋼板、不銹鋼板焊接,充分保證了2BE1真空泵葉輪在各種惡劣工況下的穩定性,且大大
2BE型水環式真空泵提高了2BE1真空泵的使用壽命。
2BE型水環式真空泵的泵體全部采用鋼板或不銹鋼板制作,提高了2BE1真空泵的使用壽命。
2BE型水環式真空泵的2BE1真空泵的軸套作為易損壞的零件,本公司全部采用不銹鋼制作,比普通材質壽命提高了5倍。
2BE型水環式真空泵的皮帶輪(皮帶傳動)采用標準高精度錐套皮帶輪,運行可靠,皮帶壽命長,拆卸方便。
2BE型水環式真空泵的聯軸器(直聯傳動)采用標準高強度彈性聯軸器,彈性元件采用聚氨酯材質,運行穩定可靠,使用壽命長。
2BE型水環式真空泵的獨特的上置式氣水分離器節約空間,并有效降低了噪聲。
2BE型水環式真空泵的鑄件全部采用樹脂砂鑄造,表面質量好。鑄件表面無需打膩,使2BE1真空泵散熱效果佳。
2BE型水環式真空泵的機械密封(選配件)全部采用進口件,充分保證2BE1系列真空泵在長時間運行過程中無泄漏。
二、2BE水環式真空泵技術參數:
型號 |
轉速 (傳動方式) r/min |
軸功率 kW |
電機功率 kW |
配用電機 380V |
極限真空度 mbar |
大抽氣速率 |
泵重 (整機) kg | |
m3/h |
m3/min | |||||||
2BE1 102-0 |
1450(直聯) 1300(皮帶) 1625(皮帶) 1750(皮帶) |
5.8 5.0 6.8 8.0 |
7.5 7.5 7.5 11 |
Y132M-4 Y132M-4 Y132M-4 Y160M-4 |
33mbar (-0.098MPa) |
235 210 270 290 |
3.9 3.5 4.5 4.8 |
311 295 311 346 |
2BE1 103-0 |
1450(直聯) 1300(皮帶) 1625(皮帶) 1750(皮帶) |
8.2 7.0 9.9 11.1 |
11 11 15 15 |
Y160M-4 Y160M-4 Y160L-4 Y160L-4 |
33mbar (-0.098MPa) |
340 300 385 412 |
5.7 5.0 6.4 6.9 |
363 347 388 388 |
2BE1 151-0 |
1450(直聯) 1100(皮帶) 1300(皮帶) 1625(皮帶) 1750(皮帶) |
10.8 7.2 9.2 13.2 14.8 |
15 11 11 15 18.5 |
Y160L-4 Y160M-4 Y160M-4 Y160L-4 Y180M-4 |
33mbar (-0.098MPa) |
405 300 360 445 470 |
6.8 5.0 6.0 7.4 7.8 |
469 428 444 469 503 |
2BE1 152-0 |
1450(直聯) 1100(皮帶) 1300(皮帶) 1625(皮帶) 1750(皮帶) |
12.5 8.3 10.5 15.0 17.2 |
15 11 15 18.5 22 |
Y160L-4 Y160M-4 Y160L-4 Y180M-4 Y180L-4 |
33mbar (-0.098MPa) |
465 340 415 510 535 |
7.8 5.7 6.9 8.5 8.9 |
481 437 481 515 533 |
2BE1 153-0 |
1450(直聯) 1100(皮帶) 1300(皮帶) 1625(皮帶) 1750(皮帶) |
16.3 10.6 13.6 19.6 22.3 |
18.5 15 18.5 22 30 |
Y180M-4 Y160L-4 Y180M-4 Y180L-4 Y200L-4 |
33mbar (-0.098MPa) |
600 445 540 660 700 |
10.0 7.4 9.0 11.0 11.7 |
533 480 533 551 601 |
2BE1 202-0 |
970(直聯) 790(皮帶) 880(皮帶) 1100(皮帶) 1170(皮帶) 1300(皮帶) |
17 14 16 22 25 30 |
22 18.5 18.5 30 30 37 |
Y200L2-6 Y180M-4 Y180M-4 Y200L-4 Y200L-4 Y225S-4 |
33mbar (-0.098MPa) |
760 590 670 850 890 950 |
12.7 9.8 11.2 14.2 14.8 15.8 |
875 850 850 940 945 995 |
2BE1 203-0 |
970(直聯) 790(皮帶) 880(皮帶) 1100(皮帶) 1170(皮帶) 1300(皮帶) |
27 20 23 33 37 45 |
37 30 30 45 45 55 |
Y250M-6 Y200L-4 Y200L-4 Y225M-4 Y225M-4 Y250M-4 |
33mbar (-0.098MPa) |
1120 880 1000 1270 1320 1400 |
18.7 14.7 16.7 21.2 22.0 23.3 |
1065 995 995 1080 1085 1170 |
2BE1 252-0 |
740(直聯) 558(皮帶) 660(皮帶) 832(皮帶) 885(皮帶) 938(皮帶) |
38 26 31.8 49 54 60 |
45 30 37 55 75 75 |
Y280M-8 Y200L-4 Y225S-4 Y250M-4 Y280S-4 Y280S-4 |
33mbar (-0.098MPa) |
1700 1200 1500 1850 2000 2100 |
28.3 20.0 25.0 30.8 33.3 35.0 |
1693 1460 1515 1645 1805 1805 |
2BE1 253-0 |
740(直聯) 560(皮帶) 660(皮帶) 740(皮帶) 792(皮帶) 833(皮帶) 885(皮帶) 938(皮帶) |
54 37 45 54 60 68 77 86 |
75 45 55 75 75 90 90 110 |
Y315M-8 Y225M-4 Y250M-4 Y280S-4 Y280S-4 Y280M-4 Y280M-4 Y315S-4 |
33mbar (-0.098MPa) |
2450 1750 2140 2450 2560 2700 2870 3020 |
40.8 29.2 35.7 40.8 42.7 45.0 47.8 50.3 |
2215 1695 1785 1945 1945 2055 2060 2295 |
2BE1 303-0 |
740(直聯) 590(直聯) 466(皮帶) 521(皮帶) 583(皮帶) 657(皮帶) 743(皮帶) |
98 65 48 54 64 78 99 |
110 75 55 75 75 90 132 |
Y315L2-8 Y315L2-10 Y250M-4 Y280S-4 Y280S-4 Y280M-4 Y315M-4 |
33mbar (-0.098MPa) |
4000 3200 2500 2800 3100 3580 4000 |
66.7 53.3 41.7 46.7 51.7 59.7 66.7 |
3200 3200 2645 2805 2810 2925 3290 |
2BE1 305-1 2BE1 306-1 |
740(直聯) 590(直聯) 490(皮帶) 521(皮帶) 583(皮帶) 657(皮帶) 743(皮帶) |
102 70 55 59 68 84 103 |
132 90 75 75 90 110 132 |
Y355M1-8 Y355M1-10 Y280S-4 Y280S-4 Y280M-4 Y315S-4 Y315M-4 |
160mbar (-0.085MPa) |
4650 3750 3150 3320 3700 4130 4650 |
77.5 62.5 52.5 55.3 61.2 68.8 77.5 |
3800 3800 2950 3000 3100 3300 3450 |
2BE1 353-0 |
590(直聯) 390(皮帶) 415(皮帶) 464(皮帶) 520(皮帶) 585(皮帶) 620(皮帶) 660(皮帶) |
121 65 70 81 97 121 133 152 |
160 75 90 110 132 160 160 185 |
Y355L2-10 Y280S-4 Y280M-4 Y315S-4 Y315M-4 Y315L1-4 Y315L1-4 Y315L2-4 |
33mbar (-0.098MPa) |
5300 3580 3700 4100 4620 5200 5500 5850 |
88.3 59.7 61.7 68.3 77.0 86.7 91.7 97.5 |
4750 3560 3665 3905 4040 4100 4100 4240 |
2BE1 355-1 2BE1 356-1 |
590(直聯) 390(皮帶) 435(皮帶) 464(皮帶) 520(皮帶) 555(皮帶) 585(皮帶) 620(皮帶) |
130 75 86 90 102 115 130 145 |
160 90 110 110 132 132 160 185 |
Y355L2-10 Y280M-4 Y315S-4 Y315S-4 Y315M-4 Y315M-4 Y315L1-4 Y315L2-4 |
160mbar (-0.085MPa) |
6200 4180 4600 4850 5450 5800 6100 6350 |
103.3 69.7 76.7 80.8 90.8 98.3 101.7 105.8 |
5000 3920 4150 4160 4290 4300 4350 4450 |
2BE1 403-0 |
330(皮帶) 372(皮帶) 420(皮帶) 472(皮帶) 530(皮帶) 565(皮帶) |
97 110 131 160 203 234 |
132 132 160 200 250 280 |
Y315M-4 Y315M-4 Y315L1-4 Y315L2-4 Y355M2-4 Y355L1-4 |
33mbar (-0.098MPa) |
5160 5700 6470 7380 8100 8600 |
86.0 95.0 107.8 123.0 135.0 143.3 |
5860 5870 5950 6190 6630 6800 |
2BE1 405-1 2BE1 406-1 |
330(皮帶) 372(皮帶) 420(皮帶) 472(皮帶) 530(皮帶) 565(皮帶) |
100 118 140 170 206 235 |
132 160 185 200 250 280 |
Y315M-4 Y315L1-4 Y315L2-4 Y315L2-4 Y355M2-4 Y355L1-4 |
160mbar (-0.085MPa) |
6000 6700 7500 8350 9450 10100 |
100.0 111.7 125.0 139.2 157.5 168.3 |
5980 6070 6200 6310 6750 6920 |
注:以上所選電機功率可在大多工況下工作。如排氣口壓力較高(0.02~0.05MPa),則應相應加大電機功率;如2BE1真空泵正常工作時軸功率較小,也可選用接近軸功率的電機功率,如此更為節能。
注:水環真空泵的水溫對其性能影響較大,而水環真空泵的性能曲線均為在15℃的水溫條件下測得,因此在實際選用水環真空泵時應對水環真空泵的抽氣速率進行修正。修正方法請參照:水溫對水環真空泵性能的影響。
注:以上所選電機功率可在大多工況下工作。如排氣口壓力較高(0.02~0.05MPa),則應相應加大電機功率;如2BE1真空泵正工作時軸功率較小,也可選用接近軸功率的電機功率,如此更為節能。
三、2BE1系列水環真空泵耗水量:
型號
|
標準轉速
rpm |
轉速范圍
rpm |
在以下吸入壓力(mbar,絕壓)時的耗水量 m3/h | |||||||
≤160 |
200 |
300 |
400 |
500 |
600 |
700 |
>800 | |||
2BE1 102-0 |
1450 |
1300~1750 |
1.1 |
1.1 |
0.73 |
0.73 |
0.73 |
0.73 |
0.36 |
0.36 |
2BE1 103-0 |
1450 |
1300~1750 |
1.4 |
1.4 |
0.93 |
0.93 |
0.93 |
0.93 |
0.47 |
0.47 |
2BE1 151-0 |
1450 |
1100~1750 |
1.5 |
1.5 |
1 |
1 |
1 |
1 |
0.5 |
0.5 |
2BE1 152-0 |
1450 |
1100~1750 |
1.7 |
1.7 |
1.13 |
1.13 |
1.13 |
1.13 |
0.57 |
0.57 |
2BE1 153-0 |
1450 |
1100~1750 |
1.9 |
1.9 |
1.27 |
1.27 |
1.27 |
1.27 |
0.63 |
0.63 |
2BE1 202-0 |
980 |
790~1300 |
2.1 |
2.1 |
1.4 |
1.4 |
1.4 |
1.4 |
0.7 |
0.7 |
2BE1 203-0 |
980 |
790~1300 |
2.6 |
2.6 |
1.73 |
1.73 |
1.73 |
1.73 |
0.87 |
0.87 |
2BE1 252-0 |
740 |
558~938 |
4.4 |
4.4 |
2.93 |
2.93 |
2.93 |
2.93 |
1.47 |
1.47 |
2BE1 253-0 |
740 |
560~938 |
5.2 |
5.2 |
3.47 |
3.47 |
3.47 |
3.47 |
1.73 |
1.73 |
2BE1 303-0 |
660 |
466~743 |
8.5 |
8.5 |
6.8 |
6.8 |
5.7 |
5.7 |
2.9 |
2.9 |
2BE1 303-2 |
660 |
466~743 |
- |
9.1 |
7.9 |
6.7 |
5.6 |
4.4 |
3.2 |
2.0 |
2BE1 305-1 |
660 |
466~743 |
8.2 |
8.2 |
7.8 |
7.0 |
6.0 |
5.1 |
4.2 |
3.3 |
2BE1 306-1 |
660 |
466~743 |
8.2 |
8.2 |
7.8 |
7.0 |
6.0 |
5.1 |
4.2 |
3.3 |
2BE1 353-0 |
530 |
372~660 |
11.2 |
11.2 |
9.0 |
9.0 |
7.5 |
7.5 |
3.8 |
3.8 |
2BE1 353-2 |
530 |
372~660 |
- |
12.1 |
10.5 |
9.0 |
7.4 |
5.8 |
4.3 |
2.7 |
2BE1 355-1 |
530 |
372~660 |
10.9 |
10.9 |
10.4 |
9.3 |
8.0 |
6.7 |
5.5 |
4.3 |
2BE1 356-1 |
530 |
372~660 |
10.9 |
10.9 |
10.4 |
9.3 |
8.0 |
6.7 |
5.5 |
4.3 |
2BE1 403-0 |
420 |
330~565 |
16.0 |
16.0 |
12.8 |
10.7 |
10.7 |
8.7 |
7.2 |
5.4 |
2BE1 405-1 |
420 |
330~565 |
14.7 |
14.7 |
14.2 |
12.6 |
10.9 |
9.2 |
7.7 |
5.9 |
四、2BE1系列水環壓縮機耗水量:
型號 |
標準轉速
rpm |
轉速范圍
rpm |
在以下排氣壓力(bar,絕壓)時的耗水量 m3/h | |||||||
1.2 |
1.4 |
1.5 |
1.6 |
1.8 |
2.0 |
2.2 |
2.4 | |||
2BE1 102-8 |
1450 |
1300~1750 |
0.8 |
0.9 |
0.9 |
1.1 |
1.2 |
1.3 |
1.5 |
- |
2BE1 103-8 |
1450 |
1300~1750 |
0.8 |
1.1 |
1.1 |
1.3 |
1.5 |
1.6 |
1.8 |
- |
2BE1 151-8 |
1450 |
1100~1750 |
0.9 |
1.2 |
1.2 |
1.4 |
1.6 |
1.7 |
1.9 |
- |
2BE1 152-8 |
1450 |
1100~1750 |
1.0 |
1.3 |
1.3 |
1.5 |
1.7 |
1.8 |
2.0 |
- |
2BE1 153-8 |
1450 |
1100~1750 |
1.2 |
1.5 |
1.5 |
1.7 |
1.9 |
2.0 |
2.2 |
- |
2BE1 202-8 |
980 |
790~1300 |
0.3 |
0.5 |
0.6 |
0.7 |
0.9 |
1.1 |
1.4 |
- |
2BE1 203-8 |
980 |
790~1300 |
0.4 |
0.6 |
0.7 |
0.7 |
0.9 |
1.2 |
1.5 |
- |
2BE1 252-8 |
740 |
558~938 |
1.3 |
2.1 |
3.0 |
3.2 |
4.3 |
5.4 |
6.4 |
7.5 |
2BE1 253-8 |
740 |
560~938 |
1.7 |
2.5 |
3.0 |
3.3 |
4.4 |
5.5 |
6.9 |
8.3 |
2BE1 303-8 |
660 |
466~743 |
2.3 |
3.2 |
4.0 |
4.6 |
6.0 |
8.0 |
9.5 |
10.9 |
2BE1 305-8 |
660 |
466~743 |
2.3 |
3.2 |
4.0 |
4.6 |
6.0 |
8.0 |
9.5 |
12.0 |
2BE1 355-8 |
530 |
372~660 |
3.2 |
4.4 |
5.2 |
6.3 |
8.3 |
10.8 |
13.0 |
16.0 |
2BE1 405-8 |
420 |
330~565 |
4.3 |
5.7 |
6.8 |
8.4 |
11.0 |
14.5 |
17.5 |
22 |
注:1、工作液種類:通常情況下用水,標準溫度15℃(范圍0℃至65℃);或其溫度至少要低于其沸點10℃。
2、以上耗水量為在標準轉速下所需的耗水量,對不同轉速,數據表中的流量值應乘以(實際轉速÷標準轉速)
3、如需增加工作液流量,則數據表中的流量加倍。
五、2BE3水環真空泵性能表:
型號 |
轉速 (傳動方式) r/min |
大軸功率 kW |
電機功率 kW |
大抽氣速率 |
極限真空度 (絕對壓力) mbar |
泵頭重量 (含上置分離器) kg | |
m3/h |
m3/min | ||||||
2BE3 400 |
340(皮帶/減速機) 390(皮帶/減速機) 440(皮帶/減速機) 490(皮帶/減速機) 530(皮帶/減速機) 570(皮帶/減速機) 610(皮帶/減速機) |
82 95 115 134 148 167 189 |
110 110 132 160 185 200 220 |
4850 5650 6250 6900 7470 8000 8600 |
80.8 94.2 104.2 115.0 124.5 133.3 143.3 |
160 |
3275 |
2BE3 420 |
340(皮帶/減速機) 390(皮帶/減速機) 440(皮帶/減速機) 490(皮帶/減速機) 530(皮帶/減速機) 570(皮帶/減速機) 610(皮帶/減速機) |
108 132 157 180 204 229 260 |
132 160 185 200 220 250 315 |
6650 7650 8550 9400 10150 10700 11600 |
110.8 127.5 142.5 156.6 169.2 178.3 193.3 |
160 |
3720 |
2BE3 500 |
260(減速機) 300(減速機) 340(減速機) 380(減速機) 420(減速機) 470(減速機) |
142 171 203 238 277 338 |
160 200 250 280 315 400 |
8700 10150 11400 12700 13800 15500 |
145.0 169.2 190.0 211.7 230.0 258.3 |
160 |
6110 |
2BE3 520 |
260(減速機) 300(減速機) 340(減速機) 380(減速機) 420(減速機) 470(減速機) |
172 210 245 288 337 412 |
200 250 280 315 400 500 |
10700 12300 14000 15400 16800 18700 |
178.3 205.0 233.3 256.7 280.0 311.7 |
160 |
6740 |
2BE3 600 |
230(減速機) 260(減速機) 290(減速機) 320(減速機) 350(減速機) 400(減速機) |
205 243 285 322 365 465 |
250 280 315 355 450 560 |
12700 14400 16000 17500 19000 21600 |
211.7 240.0 266.7 291.7 316.7 360.0 |
160 |
9100 |
2BE3 620 |
230(減速機) 260(減速機) 290(減速機) 320(減速機) 350(減速機) 400(減速機) |
250 300 340 390 450 570 |
280 355 400 450 500 630 |
15600 17700 19500 21300 23200 26200 |
260.0 295.0 325.0 355.0 386.7 436.7 |
160 |
10700 |
2BE3 670 |
210(減速機) 240(減速機) 270(減速機) 300(減速機) 320(減速機) 330(減速機) 370(減速機) |
280 350 415 465 523 545 670 |
315 400 450 560 630 630 800 |
18300 20400 23160 25500 27000 27720 30960 |
305 340 386 425 450 462 516 |
160 |
12700 |
2BE3 720 |
190(減速機) 210(減速機) 240(減速機) 270(減速機) 300(減速機) 340(減速機) |
345 395 475 550 642 795 |
400 450 560 630 710 900 |
21900 24300 27480 30540 33780 38100 |
365 405 458 509 563 635 |
160 |
15700 |
2、以上真空泵轉速為參考轉速,實際轉速根據傳動方式及客戶要求確定。
3、2BE3 400/420皮帶傳動可選擇轉速:327/349/393/446/475/498/527rpm。
4、2BE3 500以上真空泵不推薦皮帶傳動。
5、減速機傳動安裝尺寸需確定轉速、減速機生產廠家后確定。
6、上表所列抽氣速率為該泵的大抽氣速率,實際抽氣速率隨吸入壓力而變化,請參照“性能曲線”選型。
7、注:水環真空泵的水溫對其性能影響較大,而水環真空泵的性能曲線均為在15℃的水溫條件下測得,因此在實際選用水環真空泵時應對水環真空泵的抽氣速率進行修正。修正方法請參照:水溫對水環真空泵性能的影響。
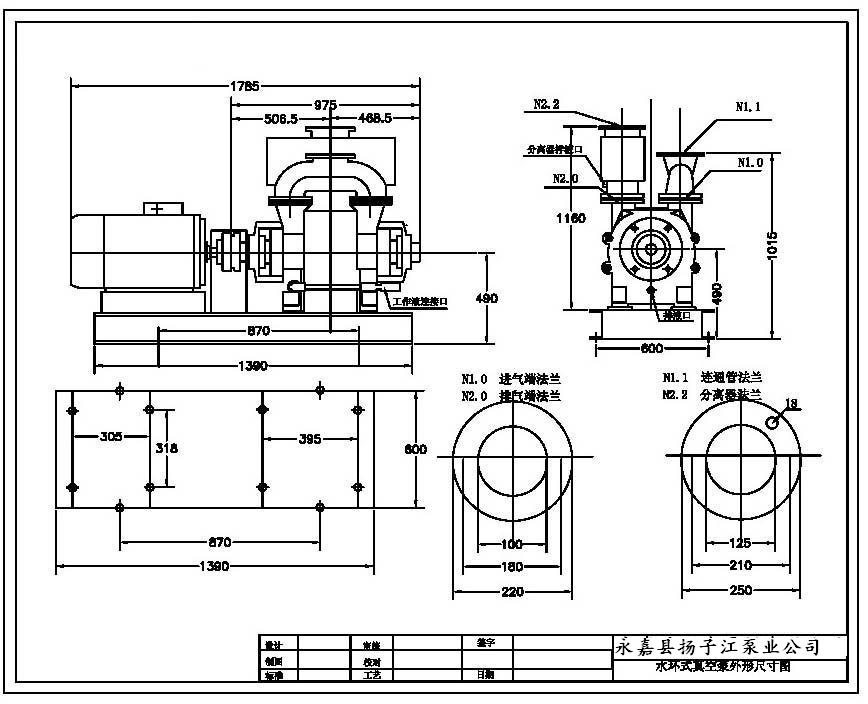
六、2BE水環式真空泵安裝尺寸圖:
七、2BE水環式真空泵真空泵及壓縮機結構主要特點:
1、軸承全部采用原裝進口軸承,保證了2BE1真空泵的葉輪精確定位及運轉過程中的高穩定性。
2、葉輪材質全部采用球墨鑄鐵鑄造或鋼板焊接,充分保證了2BE1真空泵葉輪在各種惡劣工況下的穩定性,且大大提高了3、3、BE1真空泵的使用壽命。
4、泵體全部采用鋼板制作,提高了2BE1真空泵的使用壽命。
5、2BE1真空泵的軸套作為易損壞的零件,本公司全部采用高鉻不銹鋼制作,比普通材質壽命提高了5倍。
6、皮帶輪(皮帶傳動)采用標準高精度錐套皮帶輪,運行可靠,皮帶壽命長,拆卸方便。
7、聯軸器(直聯傳動)采用標準高強度彈性聯軸器,彈性元件采用聚氨酯材質,運行穩定可靠,使用壽命長。
8、獨特的上置式氣水分離器節約空間,并有效降低了噪聲。
9、鑄件全部采用樹脂砂鑄造,表面質量好。鑄件表面無需打膩,使2BE1真空泵散熱效果佳。
10、機械密封(選配件)全部采用進口件,充分保證2BE1系列真空泵在長時間運行過程中無泄漏。
11、泵體內壁型線采用近似橢圓的型線以保證佳的抽氣效果。
- 下一篇:XD型旋片式真空泵的產品介紹
- 上一篇:SV系列真空泵油的特點及用途