標準文獻 STANDARD DOCUMENT
行業新聞
您當前位置:網站首頁 >> 標準文獻 >> 詳情內容
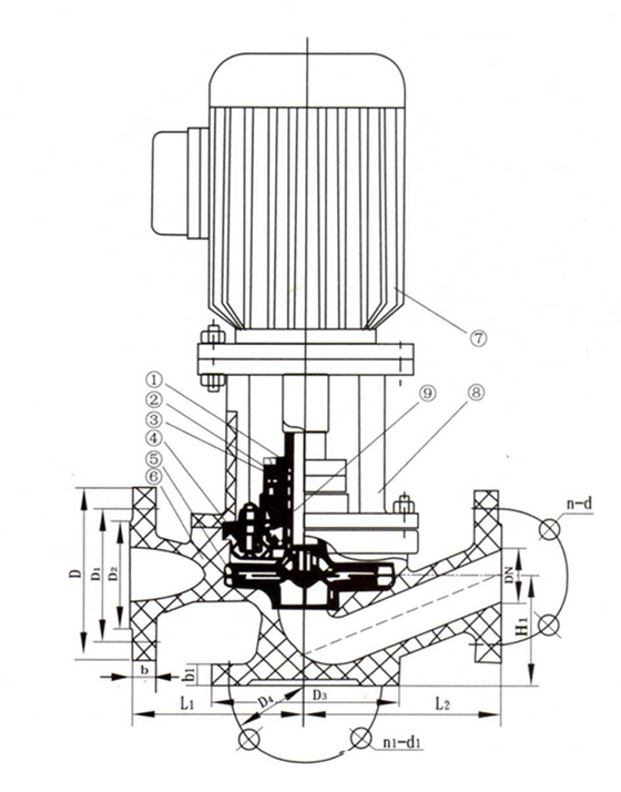
SL型酚醛玻璃鋼管道泵結構圖
時間:2012/10/19 來源:浙江揚子江泵業有限公司
結構圖

1 軸 2 軸套 3 機械密封 4 泵蓋 5 葉輪 6 泵體 7 電機 8 聯接架 9 密封壓蓋
- 下一篇:離心泵,真空泵,計量泵、往復泵的選泵要點
- 上一篇:食品級不銹鋼定義
時間:2012/10/19 來源:浙江揚子江泵業有限公司
1 軸 2 軸套 3 機械密封 4 泵蓋 5 葉輪 6 泵體 7 電機 8 聯接架 9 密封壓蓋